Seite 1 von 1
Zähleingang zurücksetzen
Verfasst: 01 Jul 2021, 07:11
von Magnus
Hallo,
schon wieder so ein Neuling
Wie kann ich einen Zähleingang zurücksetzen, wenn ich keinen Motor angeschlossen habe?
In meinem Modell kann ich das tatsächlich noch umbauen, weil ein Motor da ist und dem werde ich dann einen Resetbefehl schicken. Dies war zumindest die einzige Möglichkeit, die ich im Forum finden konnte.
Aber die Frage bleibt: Wie setze einen Zähleingang zurück. Wenn ich z.B. vorbei rollende Kugeln mit einem Taster zählen will und die Motorenausgänge mit Lämpchen besetzt sind. Wenn man einen Dummymotor hinzufügt, beschwert sich die Software, der Ausgang wäre schon anders belegt.
Vermutlich gibt es die Frage schon öfter, aber leider habe ich sie nicht gefunden.
Re: Zähleingang zurücksetzen
Verfasst: 01 Jul 2021, 07:31
von DirkW
Hallo Magnus,
herzlich willkommen hier im Forum.
sende uns doch einmal einen Screenshot von deinem Programm, damit wir dir helfen können.
Einfach unten unter dem Text
"Dateianhänge" - "Dateien hinzufügen". Dann auf
"im Beitrag anzeigen"
klicken.
Grüße
Dirk
Re: Zähleingang zurücksetzen
Verfasst: 01 Jul 2021, 07:45
von Magnus
Hallo Dirk,
kein Problem, hier ist er.

- Screenshot 2021-07-01 074103.png (166.03 KiB) 4271 mal betrachtet
Zum Hintergrund:
Ich habe auf einer Achse zwei Steuerscheiben. Die eine liefert pro Umdrehung einen Impuls und dient als Umdrehungszähler. Die zweite schaltet für 3/4 einer Drehung ein und für den Rest aus. Ich möchte nun, dass sich die Achse fünf mal dreht und dabei ein Läpchen schaltet.
Das funktioniert auch. Aber leider nur beim ersten Durchlauf. Selbst wenn das Programm gestoppt wird, setzt RoboPro den Zähler nicht zurück. Er startet beim zweiten Durchlauf also mit sechs und es wird folglich gar nichts mehr geschaltet.
Re: Zähleingang zurücksetzen
Verfasst: 01 Jul 2021, 08:08
von DirkW
Hallo Magnus,
du musst am Ende des Unterprogramms die Variable mit einem Resetbefehl wieder auf "0" setzen. Damit sollte es klappen.

- Reset RoboPro Schleife.JPG (66.88 KiB) 4262 mal betrachtet
Gruß
Dirk
Re: Zähleingang zurücksetzen
Verfasst: 01 Jul 2021, 11:04
von Magnus
Das klappt so leider nicht. Denn es passiert folgendes:
Am Ende des ersten Durchlaufs wir die Variable auf null gesetzt. Der C4Z behält aber seinen Wert 6.
Beim zweiten Durchlauf überschreibt dann der C4Z die Variable mit seinem Wert 6 und die Lightshow fällt aus.
Ich muss also irgendwie den C4Z auf null bekommen.
Re: Zähleingang zurücksetzen
Verfasst: 01 Jul 2021, 11:42
von DirkW
Hallo Magnus,
leider kann ich im Moment nicht testen. Versuch einmal dieses Programm.

- Reset RoboPro Schleife 1.JPG (77.78 KiB) 4202 mal betrachtet
Gruß
Dirk
Re: Zähleingang zurücksetzen
Verfasst: 01 Jul 2021, 15:14
von Magnus
Wenn ich den Schalter und den Motor auf Port 1 lege, dann geht das so. Das ist wohl auch der offizielle Weg.
Aber das bedeutet, wenn man mit Tastern zählen will, muss man für jedenTaster einen Motoranschluss haben. Anders kann man sich wohl nur mit Variablen selbst was basteln. Keine Ahnung, ob es einen besseren Weg gibt.
Aber Danke für die Hilfe.
Re: Zähleingang zurücksetzen
Verfasst: 01 Jul 2021, 16:14
von Bjoern
Hallo Magnus,
du kannst deine Input Variable "kalibrieren".
Damit meine ich folgendes. Der Zählerwert steigt immer und du brauchst die 5 Schritte. Also merkst du dir den aktuellen Zählerwert als Basiswert.
Entweder verglichst du dann mit Zählereingang >= Basiswert + 5 oder vergleichst mit einer anderen Variable stat 5. Und diese Variable hast du eben den Basiswert + 5 als Initwert genommen.
Dann sollte das auch gehen.
Björn
Re: Zähleingang zurücksetzen
Verfasst: 02 Jul 2021, 00:06
von fishfriend
Hallo...
Interessantes Problem.
Der Zähler ist im Interface nicht in RoboPro.
RoboPro sendet an das Interface Befehle um das zu machen - in dem Fall halt Zählen und Reset.
Wenn du C4 nimmst must du an M4 den Reset senden. - Nur wie macht man das?
In den Hilfe finde ich (in meiner Version) zwei Stellen zu "Reset".
Und halt "Erweiterte Motorsteuerung im Level 3".
Da steht das man einen Befehl "Reset" senden soll. Bei meiner Hilfe fehlt "Reset"...
OK.
Im Beispiel von Dirk wird aber an Motor 1 gesendet nicht an Motor 4 .
Ich denke das sollte dann gehen, wenn man den M4 nimmt.
Mit freundlichen Grüßen
fishfriend
Holger Howey
Re: Zähleingang zurücksetzen
Verfasst: 02 Jul 2021, 06:41
von DirkW
Hallo Holger,
ja, du hast recht, mein Fehler.
Wenn C4Z einen Reset haben soll, dann natürlich den M4 nehmen.

- Reset RoboPro Schleife.JPG (77.54 KiB) 4066 mal betrachtet
Gruß
Dirk
Re: Zähleingang zurücksetzen
Verfasst: 02 Jul 2021, 07:03
von Magnus
Ich habe es nun mit dem Reset an den Motor gemacht und das funktioniert.
Aber wenn man halt nur einen Taster zählen lassen will, ist es halt schade, dass es über einen Motor gehen muss. Da ist dann die Lösung mit der Kalibrierung wohl die beste.
Danke für Eure Hilfe.
Re: Zähleingang zurücksetzen
Verfasst: 02 Jul 2021, 07:44
von DirkW
Hallo Magnus,
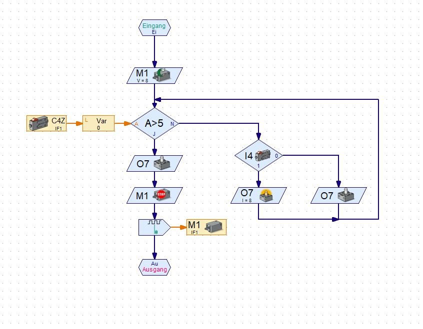
meiner Meinung musst du nicht zwingend über den Motorzähler gehen. Probiere mal diese Variante aus.
Hier nimmst du einfach den I1 als Zähler.

- Reset RoboPro Schleife 1.JPG (82.35 KiB) 4044 mal betrachtet
Gruß
Dirk