Seite 1 von 1
Vintage 5-Needle telegraph model / Vintage 5-Nadel-Telegrafenmodell
Verfasst: 21 Dez 2025, 23:20
von rubem
Hi everyone,
(Deutsche Übersetzung im nächsten Beitrag)
Some time ago I came across a Wikipedia article describing a fascinating invention that is obsolete now but was revolutionary in the 1830s: the Cooke and Wheatstone Telegraph. It worked by rotating needles via electromagnetic coils so that they pointed to letters on a dial. They made several models, but the most famous one used five needles. The transmitter and the receiver were interconnected with five wires, one for each coil, over several miles.

- Cooke and Wheatstone Telegraph.jpg (127.05 KiB) 4800 mal betrachtet
The article describes the device thoroughly, and it even includes a very nice schematic. A faithful copy would require ten electromagnets and ten fixed magnets connected to the needles, but I realized I could make it work with mini-motors. The principle worked, so I set out to build a complete model. It has one simplification: the model is unidirectional, that is, one unit is always the transmitter and the other is the receiver. I could made it bidirectional (i.e. half-duplex), but the wiring would require a lot of extra labor. It looks like this:

- telegraph model.jpg (788.54 KiB) 4800 mal betrachtet
In the original, two buttons must be pressed for a character to be transmitted. I added rotating handles to press the buttons, both to avoid short-circuits (which are
very likely to happen otherwise) and to make transmission more user-friendly. Turning a pair of handles each time drives two motors on the transmitter and two on the receiver, sending one character. The whole switch assembly can be pivoted for easier storage. The panels are printed on 240 g paper and have lines, circles and typography similar to the original. Five needles give only 20 characters; I decided to copy the original English layout (which omits the C, J, Q, U, X and Z, so it can't quite spell "fischertechnik"

). Perhaps some of you will try a German version with different letters? A bigger, 6-needle model which would allow up to 30 characters.
A classic ft challenge: how to drive a snap-in axle 130593 directly from a mini-motor? I used white differential bevel gears 31413 (like in the roller coaster model). The connection is not very solid, but it works. The motors are driven by three 9-Volt batteries connected in series, which gives around 6.75 per motor. With four batteries the motors may turn too fast and the gears might slip.
Here are some cool links:
Wikipedia article
High resolution photo
Patent illustration
Best regards,
Rubem
Re: Vintage 5-wire telegraph model / Vintage 5-Draht-Telegrafenmodell
Verfasst: 21 Dez 2025, 23:22
von rubem
Hallo zusammen,
Vor einiger Zeit stieß ich auf einen Wikipedia-Artikel über eine faszinierende Erfindung, die heute veraltet ist, aber in den 1830er-Jahren revolutionär war: den Cooke-Wheatstone-Telegrafen. Er funktionierte, indem Nadeln mithilfe elektromagnetischer Spulen so gedreht wurden, dass sie auf Buchstaben auf einer Skala zeigten. Es gab verschiedene Modelle, das bekannteste verwendete fünf Nadeln. Sender und Empfänger waren über mehrere Kilometer mit fünf Drähten verbunden, je einer pro Spule.
[Bild]
Der Artikel beschreibt das Gerät ausführlich und enthält sogar einen sehr guten Schaltplan. Ein originalgetreuer Nachbau würde zehn Elektromagnete und zehn feste Magnete benötigen, die mit den Nadeln verbunden sind. Mir wurde jedoch klar, dass ich das Ganze mit Mini-Motoren realisieren könnte. Das Prinzip funktionierte, also machte ich mich daran, ein vollständiges Modell zu bauen. Es hat eine Vereinfachung: Das Modell ist unidirektional, das heißt, eine Einheit ist immer der Sender und die andere der Empfänger. Ich könnte es auch bidirektional (Halbduplex) gestalten, aber die Verkabelung wäre sehr aufwendig. So sieht es aus:
[Bild]
Im Original müssen zwei Tasten gedrückt werden, um ein Zeichen zu senden. Ich habe Drehgriffe zum Drücken der Tasten hinzugefügt, um Kurzschlüsse zu vermeiden (die sonst sehr wahrscheinlich auftreten) und die Übertragung benutzerfreundlicher zu gestalten. Durch Drehen eines Griffpaares werden jeweils zwei Motoren am Sender und zwei am Empfänger angesteuert, wodurch ein Zeichen gesendet wird. Die gesamte Schaltereinheit ist schwenkbar und lässt sich so leichter verstauen. Die Bedienfelder sind auf 240 g/m² Papier gedruckt und weisen Linien, Kreise und eine dem Original ähnliche Typografie auf. Fünf Nadeln ermöglichen nur 20 Zeichen; ich habe mich entschieden, das englische Originallayout zu übernehmen (bei dem die Buchstaben C, J, Q, U, X und Z fehlen, sodass „fischertechnik“ nicht korrekt geschrieben werden kann

). Vielleicht versucht ja jemand von euch eine deutsche Version mit anderen Buchstaben? Ein größeres Modell mit sechs Nadeln, das bis zu 30 Zeichen ermöglicht.
Eine klassische Herausforderung für Fischertechnik-Fans: Wie treibt man eine Schnappachse 130593 direkt von einem Mini-Motor an? Ich habe weiße Differential-Kegelräder 31413 verwendet (wie beim Achterbahnmodell). Die Verbindung ist nicht sehr stabil, funktioniert aber. Die Motoren werden von drei in Reihe geschalteten 9-Volt-Batterien angetrieben, was etwa 6,75 Volt pro Motor ergibt. Mit vier Batterien könnten die Motoren zu schnell drehen und die Zahnräder könnten durchrutschen.
Hier sind ein paar interessante Links:
Wikipedia-Artikel
Hochauflösendes Foto
Patentzeichnung
Viele Grüße,
Rubem
Re: Vintage 5-wire telegraph model / Vintage 5-Draht-Telegrafenmodell
Verfasst: 22 Dez 2025, 08:56
von fishfriend
Hallo...
A verry nice ft-Model and a olt technik becomes a new heartbeat.

Mit freundlichen Grüßen
Holger
Re: Vintage 5-wire telegraph model / Vintage 5-Draht-Telegrafenmodell
Verfasst: 22 Dez 2025, 11:13
von cheorl
Moin Rubem,
rubem hat geschrieben: ↑21 Dez 2025, 23:22
Vintage 5-wire telegraph model / Vintage 5-Draht-Telegrafenmodell
Die Abbildung des ursprünglichen Telegrafen in Ihrem obigen Artikel zeigt einen
Sechsdraht-Telegrafen
Es wäre besser, im Titel „Fünf-
nadel-Telegraf“ zu schreiben.
Ihre Version mit ft-Teilen ist ansonsten sehr gut gelungen und orientiert sich eng am original Gestaltgebung.

Ich möchte gern mehr Bilder davon sehen.
English translation:
The image of the original in your article above is a
six-wire telegraph
It would be better to write "Five-
needle telegraph" in the title.
Besides that, your version with ft-parts is very nice, it's design stays true to the shape of the original.

I'd love to see more pictures of it.
Re: Vintage 5-wire telegraph model / Vintage 5-Draht-Telegrafenmodell
Verfasst: 22 Dez 2025, 11:26
von Harald
Sehr schönes Modell!
Die Rückseite mit der Technik wäre natürlich auch interessant. Gibt es da eine Rutschkupplung oder fahren die Motoren an einen Anschlag und brummen dann vor sich hin?
S-Motoren an Metall- oder Rastachsen koppeln geht z.B. mit Silikonschlauch. Siehe ft:pedia 2011-01 Kaulquappen(1), letzte Seite.
Gruß,
Harald
Re: Vintage 5-wire telegraph model / Vintage 5-Draht-Telegrafenmodell
Verfasst: 22 Dez 2025, 15:39
von rubem
Hi Holger, Cheorl, Harald,
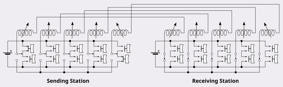
Thanks for your answers and compliments. @Cheorl, you are right: The photograph seems to depict a model with an earth (or return) wire added, possibly to be able to rotate needles individually so that it can send additional codes. My model, however, uses just five wires like in the schematic:

- Diagram.png (62.77 KiB) 4594 mal betrachtet
I'll try to change the title anyway, and I'll be adding more photos soon.
Thanks again for your nice comments!
Rubem
Re: Vintage 5-Needle telegraph model / Vintage 5-Nadel-Telegrafenmodell
Verfasst: 22 Dez 2025, 15:54
von rubem
Hi again,
Here is a photo of the receiver (still on a plate 500) with the front panel removed. Harald, hopefully you can see that the connectors 15 with clips act as stops. And you added a good question: I don't hear any hum. Maybe because the switches are on just for short periods (less than a second)?

- IMG_20251221_175611.jpg (982.96 KiB) 4584 mal betrachtet
Here is the back of the transmitter showing the batteries:

- IMG_20251221_175525.jpg (1.11 MiB) 4584 mal betrachtet
Here is the swiveling switch panel in the storage position:

- IMG_20251221_175356.jpg (919.9 KiB) 4584 mal betrachtet
Regards,
Rubem
Re: Vintage 5-Needle telegraph model / Vintage 5-Nadel-Telegrafenmodell
Verfasst: 22 Dez 2025, 17:18
von atzensepp
Hallo Rubem,
ein wunderhübsches Vintage-Modell hast Du da gebaut. Glückwunsch!
Das Prinzip verstehe ich aber noch nicht. In Deinem Schaltplan scheinen mir mit den gedrückten Tasten 4 Motoren in Serie geschaltet zu sein.
Wie soll das funktionieren? ist das eine Art Schrittmotor-Betrieb für die Motoren oder laufen sie synchron und wenn abgeschaltet wird, bleiben sie an der gleichen Stelle stehen?
Grüße
Florian
Re: Vintage 5-Needle telegraph model / Vintage 5-Nadel-Telegrafenmodell
Verfasst: 22 Dez 2025, 18:40
von rubem
Hi Florian,
In essence you are right, whenever I turn two of the handles four motors are energized: two at the receiver, and two at the transmitter. The "trick" is that they turn just about 30° and stop (i.e. they don't rotate continuously), thanks to the connectors 15 with clips on each side that are used as stoppers. I hope it's clearer now.
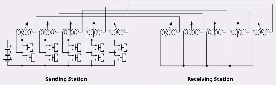
I've edited the original schematic to represent my actual circuit, where each coil represents a motor:

- Diagram2.png (98.37 KiB) 4493 mal betrachtet
Best,
Rubem
Re: Vintage 5-Needle telegraph model / Vintage 5-Nadel-Telegrafenmodell
Verfasst: 22 Dez 2025, 21:26
von atzensepp
Hi rubem,
thank you for the explanation! It is much clearer now why the plates at the motor are 15 x 30.
Essentially each motor has 3 states: +30 deg, 0 deg (vertical) and -30 deg. The +/- 30 deg positions are limited by the end stops and for the 0 position (hand vertical) the operator must stop in the middle I would assume.
best regards
Florian
Re: Vintage 5-Needle telegraph model / Vintage 5-Nadel-Telegrafenmodell
Verfasst: 22 Dez 2025, 22:40
von rubem
Hi Florian,
Exactly! The rotatable handles are kept in the middle position by default because of the springs inside the mini-switches. They are connected to horizontal plastic axles that rest on the switch buttons, one at each side. Here they are in their default position:

- IMG_20251221_175403.jpg (991.92 KiB) 4418 mal betrachtet
Best regards,
Rubem
Re: Vintage 5-Needle telegraph model / Vintage 5-Nadel-Telegrafenmodell
Verfasst: 22 Dez 2025, 23:13
von cheorl
Re: Vintage 5-Needle telegraph model / Vintage 5-Nadel-Telegrafenmodell
Verfasst: 22 Dez 2025, 23:56
von steffalk
Hello Rubem!
What a fine model! The trick to couple the motor gears is great!
You know what comes next, don't you?

How about an ft:pedia article describing the whole thing?
Best Regards,
Stefan
Re: Vintage 5-Needle telegraph model / Vintage 5-Nadel-Telegrafenmodell
Verfasst: 23 Dez 2025, 15:16
von rubem
Hi Stefan,
Thanks for the compliments! About the ft-pedia article, I agree that the subject is interesting enough to warrant an article. Maybe I can find some time to write it after the holidays, let's see. I appreciate the invitation.
I forgot one important detail: When a motor is de-energized, the needle goes back to its resting position by using a time-tested principle called "gravity"

Each assembly includes a weight made of a block 7.5 with a clamping sleeve where a 30 mm metal axle (with two clips 5) is attached. The picture below shows it in detail, with one of the connectors 15 with clip that stops the rotation.

- Metal axle assembly.jpg (877.74 KiB) 4212 mal betrachtet
Best regards,
Rubem