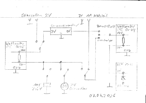
Ja, und auf dem Bild ist zu sehen, wie die Brennstoffzelle aus Wasserstoff 0,79 Volt liefert. Der Spannungswandler macht daraus 2,12 Volt und treibt den Motor an. Wenn Strom raus kommt, ist er negativ -125 mA. Davon bleiben noch 30 mA für den Motor übrig.
Die 4 Messwerte kommen aus zwei I²C Wattmeter Modulen. Diese und die Displays sind an Calliope angeschlossen. Auf dem 7-Segment Display kann ich einen von den 4 Werten groß anzeigen.

- Solaranlage_Schaltplan_512.png (49.32 KiB) 1576 mal betrachtet
Und wenn die Sonne nicht scheint, entsteht Wasserstoff durch Kurbeln. Das geht richtig schwer, wenn Last dran hängt. So merken die Kinder, was die Sonne für Kraft hat.

- DSC01061_16x9_1024.JPG (128.68 KiB) 1576 mal betrachtet