Vintage 5-Needle telegraph model / Vintage 5-Nadel-Telegrafenmodell

Fussballroboter, Autofabrik...
Modellideas &- presentation - Soccerrobot, Carfactory...
Forumsregeln
Bitte beachte die Forumsregeln!
Antworten
Benutzeravatar
rubem
Beiträge: 345
Registriert: 10 Feb 2014, 17:45
Wohnort: Porto Alegre, RS, Brasil

Vintage 5-Needle telegraph model / Vintage 5-Nadel-Telegrafenmodell

Beitrag von rubem » 21 Dez 2025, 23:20

Hi everyone,

(Deutsche Übersetzung im nächsten Beitrag)

Some time ago I came across a Wikipedia article describing a fascinating invention that is obsolete now but was revolutionary in the 1830s: the Cooke and Wheatstone Telegraph. It worked by rotating needles via electromagnetic coils so that they pointed to letters on a dial. They made several models, but the most famous one used five needles. The transmitter and the receiver were interconnected with five wires, one for each coil, over several miles.

Cooke and Wheatstone Telegraph.jpg
Cooke and Wheatstone Telegraph.jpg (127.05 KiB) 276 mal betrachtet

The article describes the device thoroughly, and it even includes a very nice schematic. A faithful copy would require ten electromagnets and ten fixed magnets connected to the needles, but I realized I could make it work with mini-motors. The principle worked, so I set out to build a complete model. It has one simplification: the model is unidirectional, that is, one unit is always the transmitter and the other is the receiver. I could made it bidirectional (i.e. half-duplex), but the wiring would require a lot of extra labor. It looks like this:

telegraph model.jpg
telegraph model.jpg (788.54 KiB) 276 mal betrachtet

In the original, two buttons must be pressed for a character to be transmitted. I added rotating handles to press the buttons, both to avoid short-circuits (which are very likely to happen otherwise) and to make transmission more user-friendly. Turning a pair of handles each time drives two motors on the transmitter and two on the receiver, sending one character. The whole switch assembly can be pivoted for easier storage. The panels are printed on 240 g paper and have lines, circles and typography similar to the original. Five needles give only 20 characters; I decided to copy the original English layout (which omits the C, J, Q, U, X and Z, so it can't quite spell "fischertechnik" :sad:). Perhaps some of you will try a German version with different letters? A bigger, 6-needle model which would allow up to 30 characters.

A classic ft challenge: how to drive a snap-in axle 130593 directly from a mini-motor? I used white differential bevel gears 31413 (like in the roller coaster model). The connection is not very solid, but it works. The motors are driven by three 9-Volt batteries connected in series, which gives around 6.75 per motor. With four batteries the motors may turn too fast and the gears might slip.

Here are some cool links:

Wikipedia article
High resolution photo
Patent illustration

Best regards,

Rubem
Zuletzt geändert von rubem am 22 Dez 2025, 15:40, insgesamt 1-mal geändert.

Benutzeravatar
rubem
Beiträge: 345
Registriert: 10 Feb 2014, 17:45
Wohnort: Porto Alegre, RS, Brasil

Re: Vintage 5-wire telegraph model / Vintage 5-Draht-Telegrafenmodell

Beitrag von rubem » 21 Dez 2025, 23:22

Hallo zusammen,

Vor einiger Zeit stieß ich auf einen Wikipedia-Artikel über eine faszinierende Erfindung, die heute veraltet ist, aber in den 1830er-Jahren revolutionär war: den Cooke-Wheatstone-Telegrafen. Er funktionierte, indem Nadeln mithilfe elektromagnetischer Spulen so gedreht wurden, dass sie auf Buchstaben auf einer Skala zeigten. Es gab verschiedene Modelle, das bekannteste verwendete fünf Nadeln. Sender und Empfänger waren über mehrere Kilometer mit fünf Drähten verbunden, je einer pro Spule.

[Bild]

Der Artikel beschreibt das Gerät ausführlich und enthält sogar einen sehr guten Schaltplan. Ein originalgetreuer Nachbau würde zehn Elektromagnete und zehn feste Magnete benötigen, die mit den Nadeln verbunden sind. Mir wurde jedoch klar, dass ich das Ganze mit Mini-Motoren realisieren könnte. Das Prinzip funktionierte, also machte ich mich daran, ein vollständiges Modell zu bauen. Es hat eine Vereinfachung: Das Modell ist unidirektional, das heißt, eine Einheit ist immer der Sender und die andere der Empfänger. Ich könnte es auch bidirektional (Halbduplex) gestalten, aber die Verkabelung wäre sehr aufwendig. So sieht es aus:

[Bild]

Im Original müssen zwei Tasten gedrückt werden, um ein Zeichen zu senden. Ich habe Drehgriffe zum Drücken der Tasten hinzugefügt, um Kurzschlüsse zu vermeiden (die sonst sehr wahrscheinlich auftreten) und die Übertragung benutzerfreundlicher zu gestalten. Durch Drehen eines Griffpaares werden jeweils zwei Motoren am Sender und zwei am Empfänger angesteuert, wodurch ein Zeichen gesendet wird. Die gesamte Schaltereinheit ist schwenkbar und lässt sich so leichter verstauen. Die Bedienfelder sind auf 240 g/m² Papier gedruckt und weisen Linien, Kreise und eine dem Original ähnliche Typografie auf. Fünf Nadeln ermöglichen nur 20 Zeichen; ich habe mich entschieden, das englische Originallayout zu übernehmen (bei dem die Buchstaben C, J, Q, U, X und Z fehlen, sodass „fischertechnik“ nicht korrekt geschrieben werden kann :sad:). Vielleicht versucht ja jemand von euch eine deutsche Version mit anderen Buchstaben? Ein größeres Modell mit sechs Nadeln, das bis zu 30 Zeichen ermöglicht.

Eine klassische Herausforderung für Fischertechnik-Fans: Wie treibt man eine Schnappachse 130593 direkt von einem Mini-Motor an? Ich habe weiße Differential-Kegelräder 31413 verwendet (wie beim Achterbahnmodell). Die Verbindung ist nicht sehr stabil, funktioniert aber. Die Motoren werden von drei in Reihe geschalteten 9-Volt-Batterien angetrieben, was etwa 6,75 Volt pro Motor ergibt. Mit vier Batterien könnten die Motoren zu schnell drehen und die Zahnräder könnten durchrutschen.

Hier sind ein paar interessante Links:

Wikipedia-Artikel
Hochauflösendes Foto
Patentzeichnung

Viele Grüße,

Rubem

Benutzeravatar
fishfriend
Beiträge: 2327
Registriert: 26 Nov 2010, 11:45

Re: Vintage 5-wire telegraph model / Vintage 5-Draht-Telegrafenmodell

Beitrag von fishfriend » 22 Dez 2025, 08:56

Hallo...
A verry nice ft-Model and a olt technik becomes a new heartbeat. :-)
Mit freundlichen Grüßen
Holger
ft Riesenräder PDF: ftcommunity.de/knowhow/bauanleitungen
TX-Light: Arduino und ftduino mit RoboPro

cheorl
Beiträge: 144
Registriert: 03 Jun 2024, 17:51
Wohnort: Dritter Stein, der einen Stern umkreist, der vor Ort als Sol bekannt ist.

Re: Vintage 5-wire telegraph model / Vintage 5-Draht-Telegrafenmodell

Beitrag von cheorl » 22 Dez 2025, 11:13

Moin Rubem,
rubem hat geschrieben:
21 Dez 2025, 23:22
Vintage 5-wire telegraph model / Vintage 5-Draht-Telegrafenmodell
Die Abbildung des ursprünglichen Telegrafen in Ihrem obigen Artikel zeigt einen Sechsdraht-Telegrafen :!:
Es wäre besser, im Titel „Fünf-nadel-Telegraf“ zu schreiben.

Ihre Version mit ft-Teilen ist ansonsten sehr gut gelungen und orientiert sich eng am original Gestaltgebung.👍
Ich möchte gern mehr Bilder davon sehen.


English translation:

The image of the original in your article above is a six-wire telegraph :!:
It would be better to write "Five-needle telegraph" in the title.

Besides that, your version with ft-parts is very nice, it's design stays true to the shape of the original.👍
I'd love to see more pictures of it.
Grüß, Cheorl

Benutzeravatar
Harald
Beiträge: 601
Registriert: 01 Nov 2010, 07:39

Re: Vintage 5-wire telegraph model / Vintage 5-Draht-Telegrafenmodell

Beitrag von Harald » 22 Dez 2025, 11:26

Sehr schönes Modell!

Die Rückseite mit der Technik wäre natürlich auch interessant. Gibt es da eine Rutschkupplung oder fahren die Motoren an einen Anschlag und brummen dann vor sich hin?

S-Motoren an Metall- oder Rastachsen koppeln geht z.B. mit Silikonschlauch. Siehe ft:pedia 2011-01 Kaulquappen(1), letzte Seite.

Gruß,
Harald
--- Ich liebe es, wenn ein Modell funktioniert. ---

Benutzeravatar
rubem
Beiträge: 345
Registriert: 10 Feb 2014, 17:45
Wohnort: Porto Alegre, RS, Brasil

Re: Vintage 5-wire telegraph model / Vintage 5-Draht-Telegrafenmodell

Beitrag von rubem » 22 Dez 2025, 15:39

Hi Holger, Cheorl, Harald,

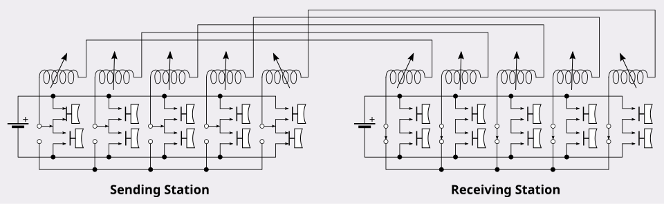
Thanks for your answers and compliments. @Cheorl, you are right: The photograph seems to depict a model with an earth (or return) wire added, possibly to be able to rotate needles individually so that it can send additional codes. My model, however, uses just five wires like in the schematic:

Diagram.png
Diagram.png (62.77 KiB) 70 mal betrachtet

I'll try to change the title anyway, and I'll be adding more photos soon.

Thanks again for your nice comments!

Rubem

Benutzeravatar
rubem
Beiträge: 345
Registriert: 10 Feb 2014, 17:45
Wohnort: Porto Alegre, RS, Brasil

Re: Vintage 5-Needle telegraph model / Vintage 5-Nadel-Telegrafenmodell

Beitrag von rubem » 22 Dez 2025, 15:54

Hi again,

Here is a photo of the receiver (still on a plate 500) with the front panel removed. Harald, hopefully you can see that the connectors 15 with clips act as stops. And you added a good question: I don't hear any hum. Maybe because the switches are on just for short periods (less than a second)?

IMG_20251221_175611.jpg
IMG_20251221_175611.jpg (982.96 KiB) 60 mal betrachtet

Here is the back of the transmitter showing the batteries:

IMG_20251221_175525.jpg
IMG_20251221_175525.jpg (1.11 MiB) 60 mal betrachtet

Here is the swiveling switch panel in the storage position:

IMG_20251221_175356.jpg
IMG_20251221_175356.jpg (919.9 KiB) 60 mal betrachtet

Regards,

Rubem

atzensepp
Beiträge: 1106
Registriert: 10 Jul 2012, 21:40
Wohnort: Uttenreuth

Re: Vintage 5-Needle telegraph model / Vintage 5-Nadel-Telegrafenmodell

Beitrag von atzensepp » 22 Dez 2025, 17:18

Hallo Rubem,

ein wunderhübsches Vintage-Modell hast Du da gebaut. Glückwunsch!

Das Prinzip verstehe ich aber noch nicht. In Deinem Schaltplan scheinen mir mit den gedrückten Tasten 4 Motoren in Serie geschaltet zu sein.
Wie soll das funktionieren? ist das eine Art Schrittmotor-Betrieb für die Motoren oder laufen sie synchron und wenn abgeschaltet wird, bleiben sie an der gleichen Stelle stehen?

Grüße
Florian

Antworten