Seite 1 von 2
Spulmaschine für die Weberei
Verfasst: 23 Jun 2023, 10:41
von weberin
Ein herzliches Hallo,
aus Kindertagen erinnerte ich mich an FischerTechnik, weil wir das als Spielzeug zu Hause hatten.
Nun webe ich und könnte ein Maschinchen gebrauchen, das mir die Schuss-Spulen schön sauber wickelt. Das müsste doch mit dieser Technik zu bauen sein, oder?
Die Spulen sind etwas länger als 10 cm, Pappröhrchen oder Papier-Strohhalme. Oder, für Schnellschuss-Vorrichtungen, konische Spulen. Es muss auch eine bestimmte Art und Weise gewickelt werden.
Wichtig ist dabei, dass sie sich bei der Verwendung immer sehr sauber abwickeln. Händisch geht das zwar und meine Übung wird auch langsam erfolgreich, aber basteln kann ja auch Spaß machen.
Hier sieht man, wie jemand anderes eine ähnliche Maschine gebaut hat. Das ist für eine konische Spule.
https://www.youtube.com/watch?v=64xvNBKMjvA
Hier die anderen (ab min 3:42):
https://www.youtube.com/watch?v=M9UWT6ohL5E
Da müsste doch was zu machen sein, oder? Hätte jemand Lust, daran zu knabbern?
Wichtig ist noch, dass die Fäden unter Spannung gespult werden. Eine schlichte Umlenkung müsste da reichen, glaub ich.
Derzeit habe ich keinerlei FischerTechnik-Ausstattung zu Hause. Null Komma nix.
viele liebe Grüße fürs Mitdenken
Annette
Re: Spulmaschine für die Weberei
Verfasst: 23 Jun 2023, 11:04
von steffalk
Hallo Annette,
und herzlich Willkommen hier im Forum! Na klar geht das, und sowas wurde auch schon oft gebaut. Nur - ganz ohne Teile wird es nicht gehen

Wie stellst Du Dir das genau vor? Brauchst Du die Angaben, was Du kaufen müsstest und etwas Hilfe beim Bauen? Oder soll das jemand für Dich bauen?
Gruß,
Stefan
Re: Spulmaschine für die Weberei
Verfasst: 23 Jun 2023, 11:29
von DirkW
Hallo Anette,
ähnliche Modelle wurden schon gebaut. Allerdings für Magnetspulen.
https://www.youtube.com/watch?v=luMR6l4fVZI
https://www.youtube.com/watch?v=bmfR9jzg-QY
Gruß
Dirk
Re: Spulmaschine für die Weberei
Verfasst: 24 Jun 2023, 13:05
von weberin
Hallo, ihr beiden,
ja, ich bräuchte Unterstützung bei Auswahl der Teile und später dann beim Bau.

Da bin ich Anfängerin, aber sehr interessiert.
Vielen lieben Dank auch für den Link zu den ähnlichen Bauten. Die werde ich mal in Ruhe sichten.
Ich bin so gespannt! Weben ist so herrlich handwerklich, bodenständig irgendwie. Und das mit ein bisschen Technik von heute zu würzen, könnte mir echt Spaß machen.
Gerne würde ich das Ergebnis - so bald erfolgreich - auch mit anderen Weberinnen teilen. Da könnte das Interesse durchaus groß werden. Mal sehen.
vielen lieben Dank, werde mich jetzt mal vertiefen.
Für Unterstützung bin ich weiterhin sehr dankbar!
An steffalk: Jemand anderes für mich bauen? Ach, auf die Idee bin ich noch gar nicht gekommen.... Kommt wohl drauf an, wie kompliziert er werden würde.
Viele liebe Grüße
Annette
Re: Spulmaschine für die Weberei
Verfasst: 24 Jun 2023, 20:48
von fishfriend
Hallo...
Vom Video aus dem ersten Link würde ich vermuten, dass es mit einem Arduino und einer Art Fräse oder 3D Drucker kommt.
Die Frage die ich mir stelle ist, wie viele Spulen möchtest du machen?
So grob würde ich vermuten, das die Spindel zum hin- und herfahren sich abnutzen wird.
Da halten die vom 3D Drucker erheblich länger. Ich denke die im Video ist auch daraus gebaut worden.
Soll die Maschine auch die Fadenlänge messen?
Man kann die auch mit einem ft-Computer Interface bauen.
WIrd dann aber vermutlich teurer als mit dem Arduino.
Das Dumme ist nur, man muss das auch programmieren können.
Ich sags mal so. In welchem Postleitzahl oder Region soll das Teil gebaut werden?
Ist zumindest schon mal eine nette Herrausvorderung für ein ft-Modell.
Sooo schwer ist das auch nicht.
Mit freundlichen Grüßen
Holger
Re: Spulmaschine für die Weberei
Verfasst: 25 Jun 2023, 13:42
von weberin
Hallo Holger, uiuiui, da verstehe ich noch nicht so viel von dem, was du schreibst!
Längenmessung wäre nicht notwendig. Und ja, das Teil müsste hin und her fahren. Und zwar jedes Mal 1-2 mm weiter rüber.
PC-Nutzung dabei sollte kein Problem sein.
Da man mit unterschiedlicher Fadenstärke arbeitet, wäre es ideal, wenn man einstellen könnte, wie viele Wicklungen pro cm gemacht werden sollen.
Ich sitze im Saarland, aber wenn wir da eine gute Lösung finden könnten, die auch noch bezahlbar ist, könnten einige andere auch Interesse daran haben, vermute ich mal.
Die Maschine sollte langfristig eingesetzt werden können. Man spult im Laufe der Zeit SEHR viele Spulen.
Das werden die Schuss-Spulen.
Für einen Schnellschützen werden sie von einer Seite zur anderen, immer mit der gleichen Schrägung gespult.
Für normale Handschützen spult man sie anders.Einfach eine Lage nach der anderen, wobei jede einen Tick kürzer wird, sodass in der Mitte die Spule dicker wird.
Wichtig ist jeweils, dass niemals über die dickste Stelle hinweg gespult wird. Der Faden muss leicht ablaufen können. Das ist die oberste Maxime! Passiert das nicht, wird das Gewebe eingewebt, weil dann beim Weben Spannung auf den Schussfaden kommt. Das ist "strengstens verboten".

Also der Faden muss sich ohne irgendwo zu verhaken ganz sauber abwickeln lassen. Daher darf er nirgendwo über einen Berg gehen müssen.
Beim Schnellschützen wird er an der Spitze angezogen (daher diese immer leiche Schräge, immer zur gleichen Seite. Bei dem Handschiffchen in der Mitte der Spule, daher wird sie symmetrisch aufgewickelt.
Ist das verständlich?
Ich danke allen fürs Mitdenken!!!!
Noch eine kleine Frage am Rand: Wenn man noch gar nichts hat vom ft, welche Investition sollte man einplanen, um das Ganze umzusetzen. Nur so größenordnungsmäßig. Muss ja wissen, ob ich schon mal sparen muss oder ob es vom Laufenden zu bezahlten ist.

Schicke gerne noch Skizzen oder Bilder. Sag(t) einfach Bescheid
viele Grüße
Annette
Re: Spulmaschine für die Weberei
Verfasst: 26 Jun 2023, 20:25
von fishfriend
Hallo...
Ich gebe zu, ich habe das Aufwickeln noch nicht ganz verstanden.
Ich denke, dass der Schussfaden ja "irgendwie" beim Weben gespannt werden muss. Aber das ist erst mal nebensächlich, es geht ja um das Schiffchen selbst.
Also, ganz ehrlich. Ja man kann das aus ft bauen. Ich denke das ist was für eine Ausstellung oder Messemodell usw. aber für eine Produktion?
Den einzigen Vorteil den ich bei ft sehe ist, dass man halt leicht etwas damit Experimentieren kann, um den Mechanismus zur Vollendung zu bringen.
Ich hab hier ein funtionierendes ft-Modell einer Fräse hier stehen. Promt kamen aus der Verwandschaft Anfragen ob man damit Schubladen beschriften kann oder Aluplatten fräsen kann... Die Spindel ist aber aus ft-Bauteilen. Ich selbst hab damit Balsaholz und Styropoor bearbeitet. Mir selber ging es da mehr um das Lernen und Modellbau.
Bleiben wir mal bei fischertechnik.
Man kann natürlich einen Aufbau machen, wo man zwei Schrittmotoren nimmt (Kosten ca. 6€ (nicht original))
(Gebrauchter) fischertechnik Controller TX, TXT oder TXT 4.0 (Kosten ca. 80-200€)
ft-Bauteile... Grob geschätzt, ja was soll ich sagen... 100€ ? + Netzteil...
Ich denke da an ein Modell, das man auf einen Tisch stellen kann und sich der Faden davor auf dem Boden befindet.
Ich fürchte jetzt kommt die Frage: Welche Bauteile?
Ich hab hier 6 Regale mit allenmöglichen ft-Bauteilen. Wenn das eine nicht passt oder verschlissen ist, nehme ich halt ein anderes.
So wie ich das Modell aus dem Video verstehe, ist das auch nicht 100% Optimal. Z.B. ist die Fadenspannung nur durch eine Feder und eine Unterlegscheibe bestimmt. Die unterschiedliche Spannung, die durch den größeren oder kleineren Durchmesser beim Aufwickeln entsteht bleibt unberücksichtigt. Ich denke, auch die Fadenlänge ist wohl geschätzt bzw berechnet aus den Umdrehungen und nicht genau gemessen.
Man muss es ausprobieren, ändern, anpassen...
Ich mach mir mal ein paar Gendanken dazu.
Mit freundlichen Grüßen
Holger
Re: Spulmaschine für die Weberei
Verfasst: 26 Jun 2023, 21:19
von atzensepp
Hallo,
wenn man tatsächlich industrielle Quantitäten an Spulen herstellen will, kommt Fischertechnik eher nicht in Frage. Man könnte mal auf den Chineshischen Marktplätzen nach "automatic shuttle bobbin winding machine" oder "cocoon bobbin winding" suchen.
Ein paar Treffer auf die Schnelle:
https://www.richpeace.com/thread_winder-show-935.html
Was das kosten soll, weiß ich allerdings nicht und Drehstromanschluss ist auch nicht bei jedem vorhanden.
Oder:
https://www.alibaba.com/product-detail/ ... 05104.html
Denke, wenn man 1000 - 2000 EUR investiert bekommt man so eine Maschine.
Grüße
Florian
Re: Spulmaschine für die Weberei
Verfasst: 28 Jun 2023, 12:34
von weberin
Vielen lieben Dank fürs Mitdenken, ihr beiden,
es darf gerne gaaanz hobbymäßig bleiben.
So ungefähr sieht das bei mir im Moment aus für die normalen Schiffchen:
https://www.youtube.com/watch?v=lZkjkPmW934
Und so demnächst, wenn ich die Spulen für den Schnellschützen in Betrieb nehme:
https://www.youtube.com/watch?v=53LtmH-ypic
Was ich gerne bauen/haben möchte ist: Eine Vorrichtung,
- in die man beide einspannen kann.
- die elektrisch spult
- die die Stelle, bis zu der gespult werden soll, selbst reguliert. Also im ersten Fall jede Reihe ein bisschen kürzer, sodass in der Mitte ein Bauch entsteht. Und im 2. Fall immer so ca. 3 cm breit, aber immer ein paar mm zur Spitze hin verschoben.
- Ganz toll wäre es, wenn man je nach Dicke des Garns angeben könnte oder manuell einstellen könnte, wie viele Wicklungen pro cm man haben möchte. Es wird nämlich mit unterschiedlichen Dicken von Garnen gewebt. Von fast Nähgarn-Stärke bis normale Wolle, wie man sie auch zum Stricken von Pullis benutzen würde.
Die Spannung des Fadens beim Wickeln sollte hoch sein. Also müsste noch eine Vorrichtung dabei sein, in die man den Faden mehrmals um Ösen oder so rum wickeln kann, damit die nötige Spannung entsteht. Das geht ja auch mit Umleitungen, nicht zwingend nur mit einquetschen zwischen Ringen.
Bitte gebt Bescheid, wenn ich mich unklar ausdrücke.
Ich bin so froh, dass ihr mitdenkt!
viele liebe Grüße
Annette
Re: Spulmaschine für die Weberei
Verfasst: 28 Jun 2023, 22:37
von juh
Liebe Annette,
ich gebe mal auch noch meinen Senf dazu, auch wenn manches schon gesagt wurde: Das ist mit ft als Basis grundsätzlich machbar, aber nur mit sehr viel Zeit *oder* mit etwas Zeit und viel Vorerfahrung. Oder mit einer fertigen Bauanleitung, Holger scheint da ja gerade zu tüfteln wenn ich ihn richtig verstehe...
Materialliste mindestens: ein Microcontroller, Display, Bedienfeld, zwei Schrittmotoren mit Ansteuerung *oder* zwei Encodermotoren, und ein Haufen ft-Standardteile, für die Stabilität wahrscheinlich ein paar Aluprofile, ggf. noch Sensoren für Fadenende und Wickellänge. Zusätzlich wahrscheinlich noch ein 3D-gedrucktes ft-kompatibles Spezialteil zur Aufnahme der Spulen, das wird aber auf die Spulen ankommen.
Für die meisten dieser Punkte gibt es unterschiedliche Varianten, als Set oder einzeln, original ft-Teile, neu oder gebraucht, Dritthersteller, selbstgemacht mit oder ohne 3D-Druck Teilen, daher ist es schwer, eine Hausnummer beim Preis anzugeben. Ich denke je nach Realisierungsform könnte die Spanne so zwischen 50 und 500 Euro liegen.
Hinzu kommt, nicht zu unterschätzen, der Entwicklungsaufwand für die Software. In vielen Projekten braucht das viel mehr Zeit als der Hardware-Aufbau. Das Display will angesteuert werden, eine Menüführung, Konfiguration, unterschiedliche Wickelprofile. Alles machbar und reizvoll, aber eben nicht trivial und mal nebenbei zu machen, v.a. wenn es etwas vielseitiger sein soll.
Wie groß schätzt du die Nachfrage grundsätzlich für so ein Gerät ein? Die Videos erwecken ja den Anschein, dass es ein nicht wenig verbreitetes Hobby ist, gibt es da nicht vielleicht schon andere Selbstbauprojekte? Dann könnte man von denen ggf. schon mal die Software adaptieren.
vg
Jan
Re: Spulmaschine für die Weberei
Verfasst: 28 Jun 2023, 23:24
von weberin
Hallo Jan, vielen Dank für dein Mitdenken!
Ich selbst fange mit dem Weben jetzt erst so richtig an, aber es gibt da eine lebhafte Community. Und Zubehör haben wollen ist recht stark ausgeprägt. Man gönnt sich hier und da mal was.
Die Gruppe "Handweben" in FB hat so 2 1/2 Tausend Mitglieder. Viel mehr kann ich noch nicht sagen.
Von einer bereits nutzbaren Software weiß ich nichts.
Danke auch für die realistische Einschätzung des Aufwandes. Hm...
Dann bin ich wohl so ganz ohne ft-Vorerfahrung ziemlich aufgeschmissen, was?
Wäre ein reich mechanische Lösung auch denkbar? Ohne PC-Steuerung?
viele liebe Grüße
Annette
Re: Spulmaschine für die Weberei
Verfasst: 28 Jun 2023, 23:48
von juh
weberin hat geschrieben: ↑28 Jun 2023, 23:24
Dann bin ich wohl so ganz ohne ft-Vorerfahrung ziemlich aufgeschmissen, was?
Wäre ein reich mechanische Lösung auch denkbar? Ohne PC-Steuerung?
Ich denke realistisch gesehen, ja, es sei denn, jemand tüftelt das zusammen und macht eine gute Anleitung zum Nachmachen.
Und ich grundsätzlich ginge sowas zumindest rudimentär wahrscheinlich auch rein mechanisch (schau mal
hier), wobei die schrittweise Verkürzung des Wickelwegs nicht trivial sein dürfte. Da gibt es hier einige, die sicher einen cleveren Mechanismus entwickeln könnten, das ist aber nicht so mein Metier, ich verwende selbst zum Licht anknipsen einen Microcontroller.
vg
Jan
Re: Spulmaschine für die Weberei
Verfasst: 29 Jun 2023, 08:48
von weberin
Ich danke dir!

Meine Hoffnung war, dass es mechanisch vielleicht leichter sein könnte.
Re: Spulmaschine für die Weberei
Verfasst: 29 Jun 2023, 19:10
von atzensepp
Hallo,
das rein mechanisch aufzubauen wäre eine interessante Aufgabe, aber ich denke wie Jan auch, dass man sich mit eine Computerisierten Lösung leichter tut. Vielleicht kann man sich von der Arduino-Lösung inspirieren lassen und was mit ft bauen:
https://hackaday.com/2020/10/20/arduino ... eaky-fast/
An Elektromechanik/Elektronik bräuchte man:
- Spulmotor mit Encoder
- Schrittmotor für Seilführung
- Zahnriemen oder Schnecke für Linearantrieb
- Arduino
- Schrittmotor-Treiber / Motor-Treiber
- Evtl. Taster für Anschlag
Und natürlich etwas Mechanik, die man gut mit ft prototypen kann und wie Jan bemerkt hat Spezialteile für die Aufnahme der Spindeln.
Ich würde das erst mal mit PC ansteuern und wenn das zufriedenstellend funktioniert ggf. ein PC-freies User-Frontend bauen.
Aber Laptop oder PC hat ja fast jeder.
Wie lange würde so etwas brauchen? Ein POC ist in ein paar Tagen gebaut. Aber oft geht danach die Arbeit erst richtig los, weil die Sachen halt meist doch nicht immer auf Anhieb so funktionieren, wie man sich das gedacht hat. Je nach Erfahrung kann man in 1-3 Wochen was hinbekommen. Oder ist das zu optimistisch?
Grüße
Florian
Re: Spulmaschine für die Weberei
Verfasst: 29 Jun 2023, 19:56
von weberin
Hallo Florian, das ist ja mal cool!
Danke!
Ich merke gerade immer mehr, wie sehr ich Anfängerin bin....
Alles gaaanz weit weg.
Bei diesem Video ist ja das Problem spulen überhaupt mal gelöst. Müsste nur noch der Faden in definierter Form wandern und andere Spulen (von Hand) eingelegt werden können.
Abschneiden kann man ja auch von Hand. Das wäre nicht das Problem.
Das eigentliche, gleichmäßige Spulen, das sollte erleichtert werden, denn die Gleichmäßigkeit wirkt sich auf die Qualität der Webware aus.
viele Grüße und danke fürs Mitdenken!
Annette
Re: Spulmaschine für die Weberei
Verfasst: 01 Jul 2023, 09:30
von fishfriend
Hallo...
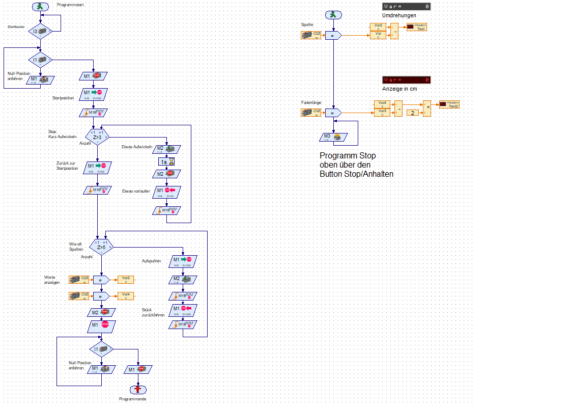
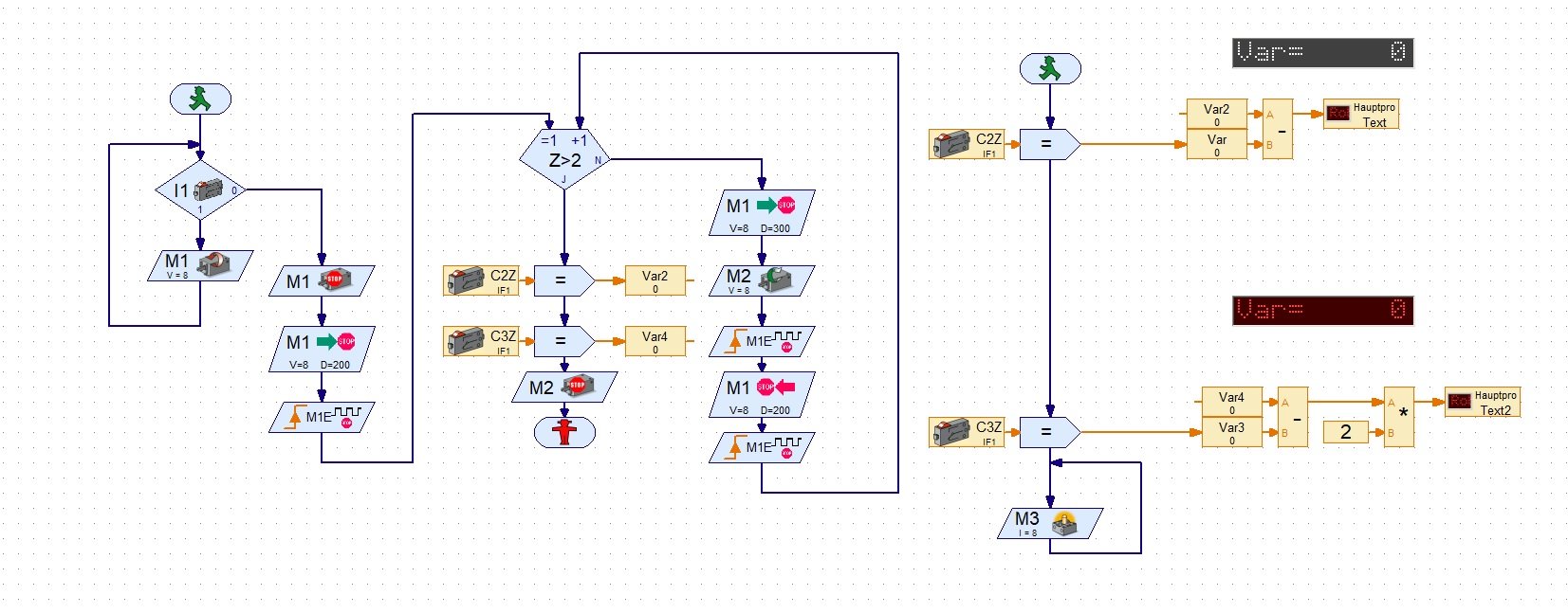
So, ich hab mal eine Spulmaschine aus fischertechnik aufgebaut und programmiert.
Ist doch nicht sooo schwer.
Ich hab mir das Video noch mal angesehen. Die messen die Fadenlänge über das weiße Rad unten.
Das mach ich auch. (Auch mit einem weißem Rad

)
Ich kann auf 2cm genau messen. Ich denke das sollte reichen.
Was ich noch nicht gemacht habe, ist eine Bedienoberfläche auf dem TXT einzurichten.
Sonst könnte man das ganz ohne PC betreiben.
Momentan läuft es so in RoboPro, wo man halt die Werte verändern kann.
Ich hab es so gebaut, dass man es auf die Tischkante stellen kann und zur Not mit einer Schraubzwinge festmachen kann.

- Spuhlenmaschine.jpg (166.13 KiB) 8131 mal betrachtet
Erst geht es in die Nullposition, dann fährt er zum Startpunkt.
Hier für den Test geht es zwei mal hin und her.
Dann zeigt er die Werte an.
Oben rechts Umdrehung der Spule und unten rechts die Fadenlänge.
Es gibt noch Verbesserungen wie einen Starttaster, Anzeige auf dem TXT usw. .
Zumindest läuft das Ganze schon mal.
Nun kann man die Anzahl noch programmierbar machen, so dass er selber ausrechnet wie lang die Umkehrung sein darf/muss usw.
Halt die Luxusvariante

Mit freundlichen Grüßen
Holger
Re: Spulmaschine für die Weberei
Verfasst: 01 Jul 2023, 11:31
von fishfriend
Hallo...
So, nun mal Bilder vom Modell:

- 20230701_105538.jpg (276.17 KiB) 8111 mal betrachtet
Der Schneckenantieb hat 10,5 cm Laufweite. Links ist der Anfang. Der rechte Endschalter ist für den Notaus - aber noch nicht im Programm verarbeitet.
Rechts die Feder zum spannen der Rolle.
Ich hab mal zwei Encodermotoren genommen. Man kann darüber streiten ob man nicht schnellere Motoren zum aufwickeln nehmen sollte. Andererseits braucht man auch keine neuen Rekorde aufstellen.

- 20230701_105600.jpg (269.45 KiB) 8111 mal betrachtet
Fadenführung ist über die linke Seite unten (90°Achse). Dann auf die Spannfeder oben, nach unten um das weiße Rad und dann zu den zwei Haken und dann auf die eingesapannte Rolle (nicht im Bild).

- 20230701_105551.jpg (151.49 KiB) 8111 mal betrachtet
Hier sieht man, dass man die Spannung einstellen kann. Dazu muss man nur, die obere Nabe versetzen. Einfädeln ist sehr einfach, durch das wegdrücken des unteren Teils der Nabe.
Unten ist eine Drehscheibe 60, wo der Außenring mit den 6 Unterteilungen, durch eine Lichtschranke (M3) abgefragt wird. Da kommen auch die +-, 2cm her. Halt +- eine Unterbrechung.
Die Kabelführung ist Störungsfrei über Salattechnik erfolgt.
Im Grunde sollten für eine Produktion noch Taster zum Steuern einbauen. Leider sind meine schwarzen Taster ausgegangen und auch sonst kann man es noch ein bisschen schöner hinbekommen. Aber es funktioniert und stabil ist es auch.
Die Federn sind nicht original fischertechnik. Es ist die Frage wie "stark" die sein müssen. Eventuell gehen auch die von ft.
Mit freundlichen Grüßen
Holger
Re: Spulmaschine für die Weberei
Verfasst: 01 Jul 2023, 15:10
von weberin
Hallo Holger,
Hammer!!!

Was ich davon verstehe bis jetzt:

- Man kann die Spule einklemmen.
- Das Wickeln klappt elektrisch. Ein Schneckenantrieb fährt den Faden hin und her.
- Man kann eine Fadenspannung einstellen.
Den ganzen Rest leider (noch???) nicht.
Wird die Wicklung mit jeder Lage ein bisschen schmaler?
Ich bin so froh, dass du dich damit auseinandersetzt! Danke!

Sollen wir weiter machen?
Und noch was: In einer Weber-Gruppe kann ich ja mal dieses Thema teilen. Vielleicht schaltet sich ja noch jemand dazu. Dann könntet ihr auch ein Gefühl dafür bekommen, wie groß ein Bedarf (über meine eigene Lust hinaus) wäre.
liebe Grüße
Annette
Re: Spulmaschine für die Weberei
Verfasst: 01 Jul 2023, 15:49
von fishfriend
Hallo...
(Ich habs geahnt. Es wird eine Lebensaufgabe.

)
Also, im ersten Video, ist die Spule selbst, kegelförmig.
Ich hab nur eine Startposition vorgegeben. Im Video wird erst in kleinen Abschnitten gespult, dann erst der Kegel.
Das ist bei mir noch nicht drin.
Ich spule "einfach" Abschnittsweise hin und her und rücke weiter nach rechts.
Das sind noch keine fertigen Werte. Das muss alles eingestellt werden.
So wie das im Video zu sehen ist, wird die Spule links erst größer, bleibt dann gleich und wird rechts erst schmal.
Ich hab ja nicht mal ansatzweise 320m Faden hier zum ausprobieren. Geschweige denn von den Spulen selbst.
Die Programmierung ist ein Anfang, die schonmal ein Ergebnis liefert.
Selbst wenn ich das so 1:1 wie im Video hin kriege, kann ich es mangels Webstuhl nicht ausprobieren.
Der Knabe im Video wird auch lange experimentiert haben.
Ich möchte nicht wissen, wieviel der wieder abgewickelt hat. Oder er hat es weggeschmissen

.
Wir hatten auch mal solche dicken Spulen mit Garn hier. Die sind aber alle vor Jahren an den Kindergarten gegangen.
Mit freundlichen Grüßen
Holger
Re: Spulmaschine für die Weberei
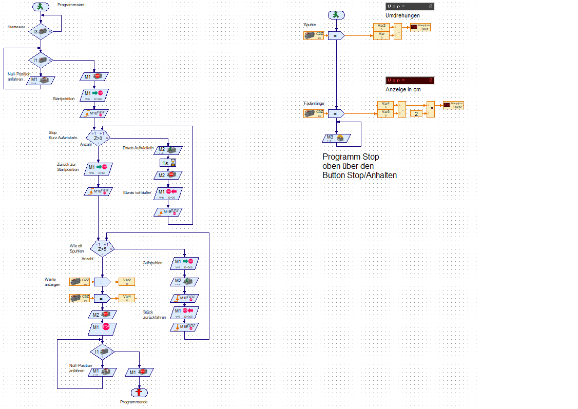
Verfasst: 02 Jul 2023, 14:33
von fishfriend
Hallo...
Hier mal eine Aktualisierung von Programm, mit etwas mehr Erklärungen.
Zumindest kann man "sehen" was es macht. Nun hat er auch einen Starttaster.
Ich denke, dass es so schon"EInsatzfähig" ist.
Man muss "nur" halt die Anzahl der Wiederholungen und die Werte an die reale Spule anpassen.
Zumindes macht es genau das, was es im Video zu sehen gibt.
Der Anfang vom Spuhlenist allerdings noch stehend. Ich vermute mal, dass man dazu die Fadendicke einstellen muss/sollte.
Ich vermute aber, das es trotzden normal runterspulen wird. Die Spule hat ja an der Stelle eine Vertiefung.

- Spule 3 fischertechnik.png (81.59 KiB) 8024 mal betrachtet
Mit freundlichen Grüßen
Holger