Seite 1 von 2
Kapazitive Berührungssensoren
Verfasst: 28 Apr 2022, 18:12
von juh
Hallo zusammen,
ich habe ein wenig mit kapazitiven Berührungssensoren und elektrisch leitendem Filament experimentiert, weil ich den Gedanken von Bedienelementen reizvoll fand, die sich als Oberfläche am Modell oder sogar im Baustein selbst unterbringen lassen.
Das hier ist dabei heraus gekommen:
https://www.youtube.com/watch?v=iABhU9tCzkg
Das Messprinzip ist z.B.
hier ganz gut beschrieben. Für Controller-Anwendungen gibt es mindestens vier Möglichkeiten:
(1) Software-Messroutine auf dem µC, für den Arduino z.B. per CapacitiveSensor Library mit externer Widerstand oder, raffiniert ganz ohne externe Beschaltung , ADCTouch Library für AVRs.
(2) Touch sensor IC mit digitalem Ausgangssignal, z.B. TP223 für einen einzelnen Kontakt, fertig zu haben in verschiedenen Boards mit in der Platine integrierter Sensorfläche.
(3) Touch sensor IC für mehrere Kontakte, z.B. MPR121 für 12 Kontakte mit I2C-Interface.
(4) Touch-pins bestimmter Mikrokontroller, z.B. touch0 bis touch9 beim ESP32.
Ansatz (1) klappt wunderbar, ist aber als Software-Lösung wg. des notwendigen Pollings bzw. Interrupts etwas einschränkend.
Für Ansatz (2) habe ich
diese kleinen roten Boards bestellt und ein
kleines Gehäuse mit BS5-Formfaktor gemacht. Klappt wunderbar, löst allerdings selbst mit Gehäuse schon lange vor der Berührung aus. Die Empfindlichkeit lässt sich per Nachrüstung eines SMD-Kondensators einstellen, hier waren 22pF passend, da ich einen Berührungs- und keinen Näherungssensor wollte. Zapft man Pin 3 des ICs an, kann man auch einen beliebigen externen Kontakt anschließen (s.u.). Etwas nervig die sehr helle onboard-LED, die man aber natürlich auch entfernen kann.
Ansätze (3) und (4) sind vergleichbar. Vorteil hier, dass man große Kontrolle über das Messverfahren hat, die Empfindlichkeit also per Software einstellen kann, und natürlich die große Anzahl von Kontakten, mit denen man dann auch leicht Bedienfelder realisieren könnte.
Als Kontaktflächen kommen ft-Metallteile, Klebealufolie, leitfähige Tinte etc. in Frage. Außer bei ft-Teilen ist der einfache Anschluss allerdings heikel. Mit
leitfähigem Filament dagegen kann man direkt Buchsen für ft- oder andere Stecker in den Sensor integrieren. Hier
ein paar Umsetzungsideen.
Da die Sensoren auch auf andere leitfähige Gegenstände reagieren, könnte man sie z.B. ähnlich wie Hall-Sensoren als berührungslose Referenz-/Endlagenschalter einsetzen, die nicht per Magnet sondern einfach von einer Metallachse ausgelöst werden, aber auch anfälliger gegen irrtümliches Auslösen wären.
Es gibt noch eine Reihe weiterer Ansätz für Berührungs- und Näherungssensoren,
ein Überblick z.B. hier, ich habe mich hier aber mal auf den kapazitiven beschränkt.
vg
Jan
https://www.printables.com/model/180417 ... hertechnik
https://www.printables.com/model/180416 ... hertechnik
oder
https://www.thingiverse.com/thing:5370845
https://www.thingiverse.com/thing:5370866
Re: Kapazitive Berührungssensoren
Verfasst: 28 Apr 2022, 22:03
von PHabermehl
Hallo Jan,
fantastisch, um es mit einem Wort zu sagen. Auf das leitfähige Filament bzw. diese Spezialfilamente von Proto Pasta hatte ich auch schon ein Auge geworfen - aber da braucht es Zeit, um vernünftige Ergebnisse zu erzielen.
Darf ich nach den Druckparametern (und der Hardware, also Düse) für das Leitfilament fragen?
Gruß
Peter
Re: Kapazitive Berührungssensoren
Verfasst: 28 Apr 2022, 22:49
von juh
Hallo Peter,
ich hatte da auch mit Schwierigkeiten gerechnet, aber es war absolut das Gegenteil: Dieses Filament druckt sich problemloser und sauberer als jedes andere Filament, das ich je hatte. Betthaftung problemlos, keinerlei Stringing, sauberste Details, beste Layerhaftung und superstabil. Die Wände der "Buchsen" sind ja wirklich nicht sehr stark, halten aber 1a. Ganz normale PLA-Druckparameter, 210°, nur etwas langsamer, empfiehlt sich bei solchen Kleinteilen ja aber eh.
Einziger Unterschied: Ich hatte noch nie ein Filament, das nach dem Wechsel so lange gebraucht hat, um restlos aus dem Extruder zu kommen, gefühlt hat es die 10fache Menge gebraucht. Das scheint sich hartnäckig in den letzten Winkeln zu halten, am besten also danach mit schwarz weiterdrucken. Eine andere Düse habe ich nicht verwendet, kann mir auch nicht vorstellen, dass es bei den geringen Mengen so schnell Probleme macht, es sind ja immer nur ein paar cm Filament pro Teil.
vg
Jan
Re: Kapazitive Berührungssensoren
Verfasst: 28 Apr 2022, 22:51
von juh
Ach ja, ein kleines Update noch: Ein tragender BS15, der direkt mit verbaut werden kann:
Die Berührung erfolgt hier seitlich, kann also sein, dass es den 22pF nicht braucht, er schadet allerdings nicht.
Ist beim TTP223 BS5 Modell mit hochgeladen.
vg
Jan
Re: Kapazitive Berührungssensoren
Verfasst: 29 Apr 2022, 23:21
von PHabermehl
Danke für die Antwort und das Update!
Vielleicht traue ich mich, wenn ich wieder etwas mehr Luft habe, an die Spezialfilamente 'ran...
Gruß
Peter
Re: Kapazitive Berührungssensoren
Verfasst: 23 Mai 2022, 23:54
von juh
Und noch ein Nachtrag: Den oben auch im Video verwendeten MPR121 mit 12 Sensoren und I2C-Interface gibt es auch als größeres Board inklusive 12 Tastfeldern. Ein inzwischen
ausgemustertes Sparkfun-Modell stand hier wohl Pate für verschiedene
fernöstliche Klone.
Der Erkennungsbereich ist groß genug, so dass man sie gut hinter einer nicht zu dicken Oberfläche verstecken kann, getestet hier hinter einer S-Platte (2mm stark):

- web_DSC_1510a.JPG (114.75 KiB) 20108 mal betrachtet
Da müsste man auf der Rückseite nur ein Tastenfeld aufmalen oder aus Papier aufkleben und es wäre einsatzbereit. Wohl der einfachste Weg zu einem I2C-fähigen Eingabefeld.
Alternativ dieses etwas schickere gedruckte Modell in Anlehnung an die S-Platte 90x90, klappt 1a mit sehr trennscharfer und fixer Erkennung der Tasten, übrigens sind auch Simultan-Anschläge gut erkennbar:
https://www.printables.com/model/212426 ... hertechnik
vg
Jan
Re: Kapazitive Berührungssensoren
Verfasst: 17 Sep 2023, 21:53
von Arnoud-Whizzbizz
Hey Jan,
Ich habe noch nicht mit dem leitfähigen Filament oder den Touch-Eigenschaften des ESP und Arduino experimentiert, aber deine TP223-Baustein hat mich inspiriert. Bei Verwendung mit klassischen Elektronikmodulen (Silberlingen etc.) ist es natürlich kein Problem, dass eine kleine zusätzliche Sensorplatine benötigt wird, um einen hervorragenden „störungsfreien“ Schalter zu erhalten.

- stone-with-ft-feather.jpeg (1.34 MiB) 18580 mal betrachtet

- mini-strip-3-sensors.jpeg (970.22 KiB) 18580 mal betrachtet
Sehr interessant ist natürlich auch die eigenständige Flip-Flop-Funktion (Lötbrücke B). Meine Anpassung und ein zusätzlicher neuer Baustein ist unter
https://www.printables.com/model/582364 ... itch-senso

- touch-sensors.jpeg (1.2 MiB) 18580 mal betrachtet
Re: Kapazitive Berührungssensoren
Verfasst: 20 Sep 2023, 15:51
von juh
Hallo Arnoud,
sind deine Sensoren eigentlich auch so sensibel, lösen also schon vor der Berührung aus?
vg
Jan
Re: Kapazitive Berührungssensoren
Verfasst: 20 Sep 2023, 20:10
von Arnoud-Whizzbizz
juh hat geschrieben: ↑20 Sep 2023, 15:51
sind deine Sensoren eigentlich auch so sensibel, lösen also schon vor der Berührung aus?
Ich hatte ihre Erfahrungen gelesen und dass du sie mit 22 pF „mildern“ mussten. Tatsächlich funktionieren die Sensoren bereits, wenn man ihnen (sehr) nahe kommt und sie noch nicht berührt. Mein Kriterium war aber, ob ich sie dicht nebeneinander nutzen kann, ohne mehrere gleichzeitig zu aktivieren.
Tatsächlich haben sie von Anfang an genau das richtige Feingefühl für mich. Aber es handelt sich tatsächlich um kapazitive Schalter, nicht um Schalter, die ausschließlich auf Leitung funktionieren. Der optionale Flip-Flop-Modus ist jedoch äußerst nützlich. Und der Modus „Negative Logik“ ist ideal für den Einsatz mit den klassischen Silberlingen!
Für meine jetzige Anwendung (Demonstration der Stromversorgung eines einfachen Stromversorgungsmoduls) waren sie eigentlich ziemlich perfekt. Das Einzige könnte sein, dass es sich bei den Lötbrücken tatsächlich um SMD-Bauteilinseln handelt (schwer zu verlöten) und schade, dass die LED nicht sauberer mittig auf der Leiterplatte sitzt
Mehr in der ft:pedia. Ich habe auch ein kurzes Video davon gemacht:
https://www.youtube.com/watch?v=hyHdOf4RAaI
Re: Kapazitive Berührungssensoren
Verfasst: 21 Sep 2023, 11:08
von juh
Ja, die Konfigurationsmöglichkeiten sind ganz nett bei diesen Modulen. Sie lassen sich übrigens auch sehr gut in Kugelbahnen nutzen um eine drüber- oder vorbeilaufende Kugel zu detektieren. Das geht schon ganz gut mit den 5er-Bauseteinen (wahrscheinlich auch deinen), aber da wollte ich vielleicht mal noch eine Version mit Leitplanken machen, die einfacher integrierbar ist.
Edit: schöner Video übrigens, du wirst ja immer professioneller...
vg
Jan
Re: Kapazitive Berührungssensoren
Verfasst: 21 Sep 2023, 11:35
von Arnoud-Whizzbizz
juh hat geschrieben: ↑21 Sep 2023, 11:08
Sie lassen sich übrigens auch sehr gut in Kugelbahnen nutzen um eine drüber- oder vorbeilaufende Kugel zu detektieren. Das geht schon ganz gut mit den 5er-Bauseteinen (wahrscheinlich auch deinen), aber da wollte ich vielleicht mal noch eine Version mit Leitplanken machen, die einfacher integrierbar ist.
Haha, das wollte ich auch mal ausprobieren, aber das war alles ein zusätzlicher „Beifall“ des Netzteilmoduls. Die ganze Geschichte war erschreckend unterschiedlich und ich habe sie schließlich in drei separate Artikel aufgeteilt
Ich glaube nicht, dass der Kugel zu schnell vorbeirollen müsste, um entdeckt zu werden? Ein Leitplanken-Sensorteil wäre toll, ja! Vielleicht ein Auffangbehälter mit einem Sensor und einem Servo, der eine Kugel „fangen“ und nach einiger Zeit abgeben kann? (Uhr damit machen?) Oder die Kugel in einer Gaußschen Kanone für die nächste Kugel „vorbereiten“ zu lassen.
Eventuell experimentiere ich auch (irgendwann) damit, da ich auch mit Magnet- und Elektromagneten für die Kugelbahnen noch allerlei Ideen habe, die noch nicht ganz ausgereift sind.
juh hat geschrieben: ↑21 Sep 2023, 11:08
Edit: schöner Video übrigens, du wirst ja immer professioneller...
Haha danke. Ich habe das sehr schnell und in einem Durchgang gemacht. Dadurch bin ich mit der Tonqualität eigentlich nicht zufrieden (habe gerade direkt beim Filmen aufgenommen). Das Problem besteht darin, dass die Erstellung dieser Art von Videos jedes Mal viel Zeit in Anspruch nimmt, wenn Sie mit Ihrer eigenen Recherche tatsächlich „abgeschlossen“ sind. Da es aber auch für mich selbst sehr nützlich ist (in Bezug auf Archivfunktion und Dokumentation), versuche ich sie jedes Mal zu erstellen.

Re: Kapazitive Berührungssensoren
Verfasst: 21 Sep 2023, 20:19
von juh
Arnoud-Whizzbizz hat geschrieben: ↑21 Sep 2023, 11:35
Ich glaube nicht, dass der Kugel zu schnell vorbeirollen müsste, um entdeckt zu werden? Ein Leitplanken-Sensorteil wäre toll, ja! Vielleicht ein Auffangbehälter mit einem Sensor und einem Servo, der eine Kugel „fangen“ und nach einiger Zeit abgeben kann? (Uhr damit machen?) Oder die Kugel in einer Gaußschen Kanone für die nächste Kugel „vorbereiten“ zu lassen.
Die Erkennung war war in meinen Tests eigentlich recht zuverlässig. Sehr hohe Geschwindigkeiten habe ich allerdings nicht ausprobiert, die Anwendung war eher eine Erkennung für ankommende Kugeln, die per eine Selenoid-"Kanone" für den nächsten Abschnitt beschleunigt werden, @rubem hatte so welche in seinem Flipper verbaut. Die sind allerdings bei 9V recht lasch, da muss ich nochmal bei der Spannungsquelle nachlegen, du erinnerst dich vielleicht an mein Netzteilprojekt...
vg
Jan
Re: Kapazitive Berührungssensoren
Verfasst: 21 Sep 2023, 21:59
von Arnoud-Whizzbizz
juh hat geschrieben: ↑21 Sep 2023, 20:19
Die Erkennung war war in meinen Tests eigentlich recht zuverlässig.
Wenn ich einen TPP223 (ohne extra Kondensator!) direkt unter die Kugelbahn stecke und die Kugel sehr langsam vorbeirollt, wird sie manchmal erkannt, ansonsten aber nicht. Anscheinend sind meine TPP233's also wirklich weniger empfindlich als deine?
Wenn die Kugel wirklich über die Leiterplatte rollen kann, denke ich, dass daraus ein zuverlässiger Sensor werden kann. Vielleicht eine eigene 90-Grad Kurve herstellen, in die man eine Platine einsetzen kann? Die Kugel bleibt dann für einen Moment stehen und darf auf keinen Fall zu schnell vorbeiziehen. So etwas?
Re: Kapazitive Berührungssensoren
Verfasst: 22 Sep 2023, 05:12
von juh
Arnoud-Whizzbizz hat geschrieben: ↑21 Sep 2023, 21:59
Anscheinend sind meine TPP233's also wirklich weniger empfindlich als deine?
Das wäre ja wirklich komisch und würde gegen eine verallgemeinbare Lösung sprechen. Aber ich habe da bisher nur ein paar schnelle Tests gemacht, nicht systematisch.
Ich bin mir bei der Physik auch ehrlich gesagt nicht sicher, inwiefern das Messprinzip bei Metallkörpern vielleicht anders (störungsanfälliger?) funktioniert als bei Körperteilen, bei denen es glaube ich der Wasseranteil ist, der den Effekt auslöst. Da müsste man sich noch einmal genauer schlau machen.
Ein Konstruktion mit direktem Kontakt zur Platine fände ich wenig elegant, die hätte in meinen Augen wenig Vorteil gegenüber Lösungen, bei denen ein Kontakt direkt durch die Metallkugel geschlossen wird, ich glaube Stefan und/oder Holger hatten hier schon mal solche Lösungen präsentiert.
lg
Jan
Re: Kapazitive Berührungssensoren
Verfasst: 22 Sep 2023, 05:58
von Karl
Hallo,
habe eher das Gefühl daß der "Homo Sapiens" als Antenne für
den fast überall vorhandenen Radiowellen-Störnebel, bzw. den mehr oder weniger
stark frequenten elektrischen Felder, dient und die geringe Spannung kapazitiv in die Elektronik
eingekoppelt wird.
Deshalb wahrscheinlich die unterschiedlichen Empfindlichkeiten und Ansprechabstände.
Schuld unter anderem die Dicke der Homo-Sapiens-Pelle, die Verschmutzung der Lack-Schutzschicht
über die Kontaktstreifen auf der Platine, Luftfeuchtigkeit und Temperatur..., Stichwort "Dielektrikum".
Kann mich aber auch täuschen.
Hautwiderstand-Abtastung braucht schon mal zwei Pole ebenso eine kapazitive Kopplung
mit Generator und Empfänger und isolierten Kontaktstreifen in einer Ebene wo die
Homo-Sapiens-Pelle als Änderung des Dielektrikums dienen würde.
Wäre aber sehr stark auch von der Luftfeuchtigkeit in Verbindung mit der Temperatur
abhängig. Vielleicht hat jemand einen voll abgeschirmten geerdeten Keller ohne elektrische Verbindungen
nach außen, sog. "Faradayscher Käfig". Notfalls müßte ein Test auch in einem fahrbaren Blechvehicle
mit geerdeter Karosse und ausgebauter Batterie im Stillstand des fahrbaren Untersatzes
funktionieren.

(Bei Fischertechnikern ist ja eh nichts unmöglich).
Batterie ausbauen um den neuzeitlich digitalen Störnebel im Käfig zu verhindern, eher zu mindern.
Re: Kapazitive Berührungssensoren
Verfasst: 22 Sep 2023, 09:27
von juh
An einen Antenneneffekt glaube ich nicht. Körper oder Kugel verändern ja die vom Sensor gemessene Kapazität, Frage ist nur ob in unterschiedlicher Größe oder Art, z. B.bedingt dadurch, dass diese vermutlich nicht direkt gemessen wird, sondern über einen Schwingkreis.
Ein Blick ins Datenblatt ist aber interessant. Der sensor hat einen fast und slow mode, außerdem eine einstellbare sampling time, beide nicht auf den Modulen konfigurierbar. Die China Platinen gibt es ja gerne mal in unterschiedlichen Varianten ohne dass man das von außen immer erkennen würde, am Ende liegt es daran.
lg
Jan
Re: Kapazitive Berührungssensoren
Verfasst: 22 Sep 2023, 09:49
von Arnoud-Whizzbizz
juh hat geschrieben: ↑22 Sep 2023, 09:27
Ein Blick ins Datenblatt ist aber interessant.
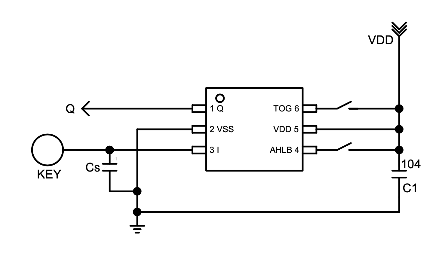
Haha, ich hatte mir auch bereits das (schlecht aus dem Chinesischen übersetzte) TTP223-ASB Datenblatt angesehen. In der Tat eine Antenne (~1 MHz, ich stecke sie in den Spektrumanalysator oder versuche sie mit meinem alten DIP-Meter zu messen)
Der Chip wird „Human Body Detector“ genannt, daher denke ich, dass der Wassergehalt für die Erkennungsempfindlichkeit wichtig ist. Die beiden Geschwindigkeiten scheinen bei der China-Variante, die wir haben, nicht einstellbar zu sein.
Das Board/Modul heißt „HW-763“ und nutzt eine Variante des Chips (TTP223E-HA6), die nur 6 Pins hat. Nur Vdd, Vss, TOG, LPMB, I und Q. Der TTP223-ASB SSOP-16 verfügt über 16 Pins (davon fünf NC) und weitere Konfigurationsoptionen (einschließlich Timeout für dauerhafte Erkennung).

- TTP223E-HA6-chip.png (70.12 KiB) 18175 mal betrachtet

- TTP223E-HA6.png (47.37 KiB) 18175 mal betrachtet
Datasheet TTP223E-HA6:
https://datasheet.lcsc.com/szlcsc/TTP22 ... 129459.pdf
Re: Kapazitive Berührungssensoren
Verfasst: 22 Sep 2023, 09:55
von Karl
Hallo Jan,
an einen Schwingkreis habe ich auch gedacht. Dann müsste auf dem Platinchen
ein Oszillator sich befinden.
Interessiert mich, muß mir mal ein paar von den Dingern wieder zulegen, hatte mal welche.
Nur..., die haben sich irgendwie selbständig gemacht
Damals habe ich mir eigentlich über diese Technik keine weiteren Gedanken gemacht, funktionierten einfach.
Meine mich zu erinnern, wenn man länger den "Finger" draufhält fielen diese wieder in den Ruhezustand
zurück. Wären also eventuell auch nur als Impuls-Endschalter brauchbar.
Nachtrag:
Dank an Arnoud für den Link.
Re: Kapazitive Berührungssensoren
Verfasst: 22 Sep 2023, 10:18
von Arnoud-Whizzbizz
Es gibt noch schönere Modelle (hinsichtlich der Platzierung und Optik des LED-Lichts).

- Capacitive Touch Switch Module HTTM Series.png (721.99 KiB) 18165 mal betrachtet
Allerdings ist mir nicht klar, ob auch die beiden Jumper „A“ (AHLB) und „B“ (TOG) sowie die Möglichkeit, einen eigenen Kondensator zu platzieren, vorhanden sind. Auf einem Bild scheint es nur einen (bereits mit 0 Ohm Widerstand geschlossenen) Jumper „A“ zu geben, während Jumper „B“ (Kippschalter) nützlicher ist.
Ich habe das noch nicht bestellt (Korrektur: Jetzt sind ein paar wie das Foto oben aus China auf dem Weg hierher

), aber habe das anderes, besprochenes Modul in großen Mengen gekauft (ich habe 120 davon herumliegen) und komme nächsten Monat zur Südconvention. Ich habe auch eine Reihe dreipoliger Servokabel in verschiedenen Längen zum Anschließen unterwegs. Wenn ich etwas mitbringen oder es für jemanden in 3D drucken muss, lassen Sie es mich einfach wissen.
Re: Kapazitive Berührungssensoren
Verfasst: 22 Sep 2023, 14:59
von juh
Ja, da hätte ich auch drauf kommen können, dass bei den sechs Beinchen keine mehr für die Konfiguration mehr frei wären, kommt davon, wenn man Datenblätter am Handy liest.
Ich habe aber gerade mal einen kleinen Aufbau zum Geschwindigkeitstest gemacht:

- DSC_5351a.JPG (231.8 KiB) 18123 mal betrachtet
Die geringste noch erfolgreiche Zeitmessung zwischen den beiden Sensoren war 215ms bei einer Strecke von 45mm. Mit etwas Puffer wären das also ca. 20cm/s Geschwindigkeit, bei denen darüber rollende ft-Kugeln von den Sensoren noch zuverlässig erkannt werden können. Nicht besonders schnell, aber für viele Anwendungen wahrscheinlich ausreichend, meistens wird es ja eher um ankommende, also langsame Kugeln gehen, die durch einen Aktor weiterbefördert werden sollen.
Übrigens habe ich hier Sensoren ohne extra bestückten 22pf Kondensator verwendet, mit Kondensator werden die Kugeln nicht erkannt. Der Chip ist als "TP223B / 9NNH" bezeichnet. Welches Datenblatt da genau dazu gehört? Ich finde eines zu "TTP223-BA6" und eines zu "TTP223-BA6 / TTP223N-BA6", wobei die "N" Variante sensibler, aber weniger "stabil" sein soll. Wie immer ein wenig black box bei diesen Modulen.
lg
Jan