Hallo Kids, hier ist eine Ecke extra für euch!
Ihr könnt hier Fragen aller Art stellen, die wir euch gerne so schnell wie möglich beantworten.
Ihr dürft hier aber auch gerne eure Modelle einfach mal anderen Fischertechnikern vorstellen.
-
fjl_technik
- Beiträge: 5
- Registriert: 14 Nov 2022, 19:08
Beitrag
von fjl_technik » 14 Nov 2022, 19:18
Hallo liebe Community,
ich programmiere schon seit längerer Zeit den TXT und bin dabei des öfteren auf folgende Fehlermeldung gestoßen:
Der Stack ist zu klein. Bitte versuche diesen im Eigenschaftsfenster des Hauptprogramms zu vergrößern. 
Wie kann ich diesen Fehler beheben?
Das Programm hat an folgenden Stellen Schwierigkeiten:
Wenn Variable "Lock" = 0; mache M1 Geschwindigkeit 4 Die Variable
Lock wird durch eine Passwortfunktion von 1 auf Null umgestellt.
Ich freue mich schon jetzt auf die Antworten
LG fjl_technik
Liebe Grüße
fjl_technik
-
fishfriend
- Beiträge: 2289
- Registriert: 26 Nov 2010, 11:45
Beitrag
von fishfriend » 15 Nov 2022, 09:27
Hallo...
Welches Programm?
Welche Programmiersprache?
Ich gebe zu das ich diese Fehlermeldung beim TXT noch nicht hatte.
Ist da eine Rekursuion drin?
Mit freundlichen Grüßen
fishfriend
Holger Howey
ft Riesenräder PDF: ftcommunity.de/knowhow/bauanleitungen
TX-Light: Arduino und ftduino mit RoboPro
-
fishfriend
- Beiträge: 2289
- Registriert: 26 Nov 2010, 11:45
Beitrag
von fishfriend » 15 Nov 2022, 10:23
Hallo...
OK, wir sind im Kids Corner.
Ruft das Programm, einen anderen Programmteil mehrfach auf?
Kannst du ein Bild (oder mehrere) deines Programms hier mal zeigen? (über Dateianhänge / Dateien hinzufügen)
Man könnte versuchen, die Anzahl der Prozesse zu erhöhen. Also die Mindesanzahl und danach Zusätzliche.
Danach den Speicher erhöhen.
Dadurch wird (normalerweise) mehr Stack bereitgestellt.
Also ein bisschen mit diesen Zahlen spielen.
Oder kann es sein, das dieser Programmteil "sehr oft" in deinem Programm benutz wird?
Mit freundlichen Grüßen
fishfriend
Holger Howey
ft Riesenräder PDF: ftcommunity.de/knowhow/bauanleitungen
TX-Light: Arduino und ftduino mit RoboPro
-
Torsten
- Beiträge: 331
- Registriert: 29 Jun 2015, 23:08
- Wohnort: Gernsheim (Rhein-Main-Region)
Beitrag
von Torsten » 15 Nov 2022, 13:35
Hallo fjl,
kommt die Zeile
fjl_technik hat geschrieben: ↑14 Nov 2022, 19:18
Wenn Variable "Lock" = 0; mache M1 Geschwindigkeit 4
von Robo Pro Coding auf dem TXT 4.0 oder von Blockly/Brickly/Scratch auf dem TXT ?
Viele Grüße
Torsten
-
fishfriend
- Beiträge: 2289
- Registriert: 26 Nov 2010, 11:45
Beitrag
von fishfriend » 15 Nov 2022, 14:46
Hallo...
Selber Reingefallen: RoboPro <-> RoboPro Coding
OK, also Endlosschleife?
Mit freundlichen Grüßen
fishfriend
Holger Howey
ft Riesenräder PDF: ftcommunity.de/knowhow/bauanleitungen
TX-Light: Arduino und ftduino mit RoboPro
-
fjl_technik
- Beiträge: 5
- Registriert: 14 Nov 2022, 19:08
Beitrag
von fjl_technik » 20 Nov 2022, 17:26
Ich habe es zwar schon einmal damit probiert, da ich aber in RoboPro programmiere, ist das für mich etwas unbrauchbar.
Liebe Grüße
fjl_technik
-
fjl_technik
- Beiträge: 5
- Registriert: 14 Nov 2022, 19:08
Beitrag
von fjl_technik » 20 Nov 2022, 17:36
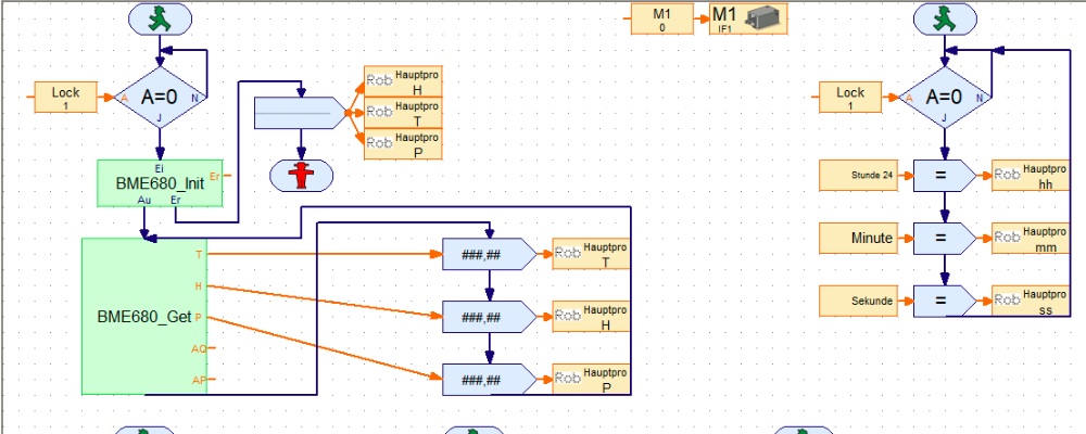
Ich habe mal ein paar Screenshots meines Programms gemacht
-
Dateianhänge
-

- Funktion in einem Unterprogramm zur Überprüfung der Pin (Hier 1020)
- rpikuehlung_3.PNG (33.15 KiB) 16181 mal betrachtet
-

- Funktionen zur Steuerung des Pin-Codes
- rpikuehlung_2.PNG (28.04 KiB) 16181 mal betrachtet
-

- Funktionen zum Anzeigen von verschiedenen Umgebungsdaten und der Uhrzeit
- rpikuehlung_1.PNG (105.05 KiB) 16181 mal betrachtet
Liebe Grüße
fjl_technik
-
fishfriend
- Beiträge: 2289
- Registriert: 26 Nov 2010, 11:45
Beitrag
von fishfriend » 21 Nov 2022, 14:34
Hallo...
OK, erst dachte ich ich bekomme eine Ahnung, was das Programm machen "soll". ("" !)
Dem ist leider nicht so.
Beschreib mal bitte was wir da sehen und was es machen soll.
Hat die PIN Funktion ein Vorbild? Also kommt es aus einem anderen Programm?
Ein Umweltsensor liefert Daten die ausgewertet werden.
Das Große Problem, was ich sehe, ist, dass mehrere Parallele Prozesse auf eine Variable zugreifen und auch noch ändern.
Ich fürchte, schon deswegen wird es nicht funktionieren.
Aber wollen wir mal schauen...
Mit freundlichen Grüßen
fishfriend
Holger Howey
ft Riesenräder PDF: ftcommunity.de/knowhow/bauanleitungen
TX-Light: Arduino und ftduino mit RoboPro
-
fjl_technik
- Beiträge: 5
- Registriert: 14 Nov 2022, 19:08
Beitrag
von fjl_technik » 10 Dez 2022, 12:25
Hallo fishfriend,
ich habe das Programm als Lüftersteuerung programmiert. In den Unterprogrammen "speed_up" und "speed_down" wird ein Motor entweder an- oder ausgeschaltet. Die Pin-Funktion habe ich mir zum Großteil selbst überlegt, allerdings in Erinnerung an die RoboPro Einführung. Dort wird auch eine Pin-Funktion gebaut, aber glaube ich ohne eine "Lock" Variable.
Liebe Grüße
fjl_technik