Seite 1 von 1
Une idée pour une attente gérée par une variable ?
Verfasst: 26 Sep 2021, 19:15
von Claude_41
Bonjour,
Je viens de reprendre le TXT pour une utilisation avec des nombres aléatoires que je maitrise avec Random.
Par contre je ne sais pas comment paramétrer une attente (pour le temps de fonctionnement d'un moteur) avec une variable : qui peut me dépanner ?
Merci.
Claude
Re: Une idée pour une attente gérée par une variable ?
Verfasst: 27 Sep 2021, 11:48
von Kali-Mero
Salut Claude,

- Unbenannt.jpg (82.17 KiB) 8829 mal betrachtet
In RoboPro gibt es unter „Programmelemente“ zum Einen den Unterpunkt „Variable, Timer,…“ zum Anderen den Unterpunkt „Verzweigen, Warten,…“ – hier solltest Du die Blöcke („Timer-Variable, „Warten auf“,…) finden, die Dein Problem lösen. Hier kannst Du Dir variable Pausen basteln.
Liebe Grüße
Kali
***
Übersetzung mit DeepL:
***
Dans RoboPro, sous "Programmelemente", il y a d'une part la sous-rubrique "Variable, Timer,..." et d'autre part la sous-rubrique „Verzweigen, Warten,…". - Vous devriez y trouver les blocs ("Timer variable", "Wait for",...) qui résolvent votre problème. Ici, vous pouvez créer des pauses variables.
Bien à vous
Kali
***
Re: Une idée pour une attente gérée par une variable ?
Verfasst: 27 Sep 2021, 18:03
von vleeuwen
Bonsoir,
Suggestion.
Voir aussi le "help" pour le role de l'élement "timer".

- RoboPro(delay).JPG (49.96 KiB) 8793 mal betrachtet
Re: Une idée pour une attente gérée par une variable ?
Verfasst: 27 Sep 2021, 19:35
von Kali-Mero
Jetzt haben wir zwei parallele Threads - doof. Eventuell kann man ja diesen hier löschen... ?!
***
Nous avons maintenant deux threads parallèles - stupide. Nous avons maintenant deux threads parallèles - stupide. Éventuellement on peut le supprimer ici…?!
Re: Une idée pour une attente gérée par une variable ?
Verfasst: 27 Sep 2021, 20:30
von richard.kunze
Kali-Mero hat geschrieben: ↑27 Sep 2021, 19:35
Jetzt haben wir zwei parallele Threads - doof. Eventuell kann man ja diesen hier löschen... ?!
Ich hab die beiden Threads mal zusammengeführt.
J'ai fusionné les deux sujets.
Re: Une idée pour une attente gérée par une variable ?
Verfasst: 28 Sep 2021, 22:51
von Claude_41
Bonjour pour cette réponse rapide.
J'ai testé la première solution, mais je ne vois pas varier le temps de pause.
Mon projet est d'allumer les diodes branchées aux 4 entrées moteur (1-2-3-4) en variant aléatoirement le numéro de la diode à allumer et aléatoirement la durée de chaque allumage. Par la suite je désire alimenter des relais 9 volts pour commander les moteurs d'un personnage articulé. Avec mon programme de test, je variant aléatoirement le numéro des diodes à allumer , mais pas les durées.
Je suis plus habitué au LEGO MINDSTORMS, mais le TXT communique bien avec le monde extérieur.
Je recherche encore ...
Claude
Re: Une idée pour une attente gérée par une variable ?
Verfasst: 28 Sep 2021, 23:56
von Karl
Hello,

- Random-ON-OFF.jpg (95.79 KiB) 8629 mal betrachtet
Re: Une idée pour une attente gérée par une variable ?
Verfasst: 29 Sep 2021, 07:38
von Claude_41
Bonjour,
Encore plus rapide !
J'ai testé cette 3 ème proposition, mais pas d'attente : la lampe s'allume en flash !
Je vous propose mon programme en cours.
Claude

Re: Une idée pour une attente gérée par une variable ?
Verfasst: 29 Sep 2021, 22:35
von vleeuwen
Voici une deuxième suggestion pour votre problème.
C'est une question de principe, ce n'est pas une solution élaborée.

- RoboPro(delay01).JPG (62.13 KiB) 8511 mal betrachtet
@Kali Mero
La note "stupide" sur ma première suggestion de Kali-Mero ajoute peu de sens à la discussion, je ne pense pas que cela s'intègre non plus dans la discussion.
Re: Une idée pour une attente gérée par une variable ?
Verfasst: 30 Sep 2021, 19:28
von vleeuwen

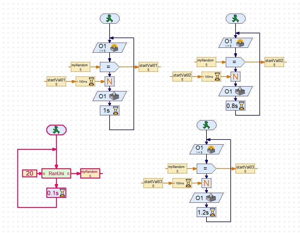
- RoboPro(delay02).JPG (125.15 KiB) 8445 mal betrachtet
Re: Une idée pour une attente gérée par une variable ?
Verfasst: 30 Sep 2021, 23:30
von vleeuwen

- RoboPro(delay03).JPG (144.3 KiB) 8411 mal betrachtet
Re: Une idée pour une attente gérée par une variable ?
Verfasst: 01 Okt 2021, 13:41
von Kali-Mero
vleeuwen hat geschrieben: ↑29 Sep 2021, 22:35
@Kali Mero
La note "stupide" sur ma première suggestion de Kali-Mero ajoute peu de sens à la discussion, je ne pense pas que cela s'intègre non plus dans la discussion.
Hallo Carel,
es tut mir leid, dass durch die Zusammenführung der beiden Diskussions-Stränge ein völlig falscher Eindruck entstanden ist:
die Anmerkung "doof" war natürlich nicht auf Deine Antwort bezogen, sondern auf die zwei identischen Posts in zwei Verschiedenen Forum-Threads. Aber lustig was dabei rauskommen kann, wenn die Stränge zusammengeführt werden und die Reihenfolge sich dann so passend unpassend ergänzt. Also mit den parallelen Threads meinte ich die Diskussionsstränge und natürlich nicht die beiden Threads in Deinem Programm. Richard Kunze hat die beiden Diskussionsstränge freundlicherweise zusammengeführt und jetzt passt es. (Danke hierfür!)
Interessant auch, dass DeepL "doof" mit "stupide" übersetzt hat, meine Intention war eher in Richtung "bedauerlich" was im Französischen eher dem "domage" gerecht wird. Ich kann nicht sehr gut Französisch und auch kein Holländisch, darum werde ich es jetzt nochmal mit DeepL übersetzen lassen und hier einfügen. In gespannter Erwartung des Ergebnisses...
Liebe Grüße
Der Kali
***
Franz. (DeepL):
Bonjour Carel,
Je suis désolé qu'en fusionnant les deux fils de discussion, une impression complètement fausse ait été créée :
le commentaire "doof" n'était bien sûr pas lié à votre réponse, mais aux deux messages identiques dans deux fils de forum différents. Mais c'est amusant de voir ce qui peut ressortir lorsque les fils sont fusionnés et que l'ordre est alors si incongru. Par fils parallèles, j'entendais donc les fils de discussion et bien sûr pas les deux fils de votre programme. Richard Kunze a eu la gentillesse de fusionner les deux fils de discussion et maintenant cela colle. (Merci pour cela

)
Il est également intéressant de noter que DeepL a traduit "doof" par "stupide", alors que mon intention allait plutôt dans le sens de "regrettable" qui, en français, ressemble plutôt à "domage". Je ne connais pas très bien le français, ni le néerlandais, alors je vais le faire retraduire maintenant avec DeepL et le coller ici. J'attends avec impatience le résultat
Bien à vous
Le Kali
Traduit avec
www.DeepL.com/Translator (version gratuite)
***
Engl. US (DeepL):
Hi Carel,
I'm sorry that by merging the two discussion threads a completely wrong impression was created:
the remark "doof" was of course not related to your answer, but to the two identical posts in two different forum threads. But funny what can come out when the strands are merged and the order then so appropriately inappropriate complements. So with the parallel threads I meant the discussion threads and of course not the two threads in your program. Richard Kunze has now kindly merged the two discussion threads and now it fits. (Thanks for this

)
Interesting also that DeepL translated "doof" with "stupide", my intention was more in the direction of "regrettable" which in French is more like "domage". I don't know French very well, nor Dutch, so I'll have it translated again now with DeepL and paste it here. In eager expectation of the result
Kind regards
The Kali
Translated with
www.DeepL.com/Translator (free version)
Re: Une idée pour une attente gérée par une variable ?
Verfasst: 01 Okt 2021, 23:51
von vleeuwen
@Kali Mero
Thanks for the clarification. It makes me happy to read that it is a misunderstanding.
Merci pour la clarification. Cela me fait plaisir de lire que c'est un malentendu.
Danke für die Klarstellung. Es macht mich glücklich zu lesen, dass es sich um ein Missverständnis handelt.